一、用途及特点
随着社会经济与基础设施的大力发展,使预应力技术在公路桥梁、铁路桥梁、高层建筑、水利水电、矿山码头、边坡防护、市政工程、轻轨地铁、核电站等工程建设中得到大量应用;但是预应力的施工工艺技术一直未有新的突破。
预应力构件施工质量的好坏是决定预应力构件安全的首要条件,现役的预应力施工检测结果表明,大部分的预应力施工存在质量隐患,特别是连续刚构桥梁及箱梁桥,主要来源于预应力张拉施工不规范和缺乏有效的质量控制手段造成。
PCTS系列智能数控张拉系统就是为替代传统的预应力张拉设备,而专为后张预应力混凝土结构的预应力束张拉施工而设计,可应用于公路桥梁、铁路桥梁、高层建筑、水利水电、矿山码头、边坡防护、市政工程、轻轨地铁、核电站等工程的预应力张拉施工工程。
PCTS智能张拉系统操作简单,界面人性化,适应各种预应力工程施工场地环境,使用智能张拉系统,全程无需人工干预,且具有错误纠正、数据同步、张拉伸长值校核等张拉过程控制,通过计算机来控制张拉施工过程,对系统各感应元件反馈的数据进行分析、处理来控制各操作单元,从而实现预应力张拉全过程自动化,完全改变了传统的通过人工来操纵油泵进行张拉操作,真正地实现了张拉的同步性控制,有效确保预应力张拉施工质量。与常规设备相比较具有以下特点:
1、系统可根据不同预应力束的参数来选择相应张拉程序,调整相应的控制参数,在各设备安装到位后,启动自动张拉按钮,系统可自动完成预应力束的整个张拉过程;
2、张拉过程中,系统通过压力传感器、位移传感器及数据处理中心自动采集数据,后将直接将张拉千斤顶对应的压力、荷载及钢绞线伸长值直接显示在电脑或触摸屏上,并自动将数据进行比对,通过控制阀调整千斤顶的张拉力与活塞伸长量,以达到对称同步张拉的效果;
3、张拉过程中系统自动采集的数据会自动生成表格,并记录在计算机处理中心的电脑内,该数据只可用于打印、监控调用及复制而不可修改造假。
4、计算机控制中心与智能泵站、千斤顶之间的信号发送与数据采集全部应用无线传输技术,收发方式经过程序处理后,具有抗干扰能力强,防止数据丢失或数据紊乱,通过网络传输可实现张拉过程的远程监控。
5、一套系统根据需要可控制一台、两台或多台千斤顶同时、对称同步自动张拉,实现“多顶同步张拉”工艺。
6、系统智能泵站的流量通过主控中心对变频器进行自动调整,实现高压小流量、低压大流量的效果,精确控制千斤顶所施加的预应力力值,可大大提高预应力张拉施工的劳动效率。
二、构成与工作原理
PCTS系列智能数控张拉系统由泵站系统、液压千斤顶及计算机控制中心三大部分组成。

PCTS-A型智能数控张拉系统结构图
(预制梁场用单束预应力同步张拉系统)

PCTS-B(C)型预应力智能张拉系统结构图
(箱梁用双束预应力对称同步张拉系统)
1、智能泵站系统
智能泵站(按功能分主泵站、副泵站)系统为该系统的动力源,主要完成泵站的起动、调压、卸荷及故障报警等功能。智能泵站系统主要包括:操作系统、电机泵组、滤油器、集成阀组、液位液温计、油箱及行走车架等。
2、液压千斤顶
液压千斤顶主要为PCTS系列液压千斤顶,整个系统的控制过程全部由该千斤顶的伸缸、缩缸及保压等动作来体现并完成,千斤顶的外表安装有用于测量活塞伸长量的位移传感器,千斤顶的规格可根据工程实际需要来选择,常用的规格有60吨到650吨,详见参数表。

3、计算机控制中心
计算机控制中心分主控中心与分控中心,由电脑(或触摸屏)、PLC控制单元、模拟量采集模块、继电器、压力传感器、位移传感器、信号收发系统以及相关控制线缆组成,电脑(或触摸屏)作为上位计算机,主要进行报表、参数设置、控制操作及数据显示等功能;计算控制中心根据系统采集到的数据、信息进行分析处理,通过调整电磁阀、变频器的动作实现对千斤顶的精确加载、保压或回程。同时把相关信息数据上传上位计算机,生成张拉数据报表并存储于系统中。本计算机控制中心可安装相关软件及视频系统,通过internet实现预应力张拉施工的远程监控,客户端与各主控端保持高度同步,达到亲临其境的效果。。
4、工作原理
在控制系统设计中,采用了以载荷控制为主,预应力束的伸长量为校核的双控控制方式。系统通过安装于张拉千斤顶进油路中的压力传感器对张拉过程中的油压进行实时监测,而通过安装于千斤顶上的位移传感器进行预应力束伸长量的实时监测,并将相应数据实时传输到主控制中心自动生成张拉记录表、张拉曲线并自动存储。
计算机控制中心主要起数据显示和数据处理的作用,它对数据进行处理后,将张拉过程不同阶段条件的位置控制信号和压力控制信号转换到位置伺服单元和压力控制单元。位置伺服单元和压力控制单元对收到的各种数据进行再处理后控制液压执行机构动作,并根据张拉过程中压力传感器不断反馈的信号,控制压力执行机构在不同状态间转换,从而保证系统自动控制整个张拉过程按预定程序的步骤准确完成预应力张拉工序作业,张拉完成后可以随时将自动生成的张拉数据拷贝或打印。
三、主要技术参数
PCTS系列智能数控张拉系统的张拉千斤顶及泵站为系列化设计,实际应用时可根据工程的需要进行选择,以下为预应力施工最常用设备的相关技术参数。
PCTS系列千斤顶的主要技术参数


PCTS系列千斤顶止口参数


PCTS系列智能泵站的主要技术参数
特别说明:智能泵站适用液压油规格为32#或46#优质抗磨液压油。
四、操作与使用说明
(一)连接正确
1. 在有接地,接零的三相动力电箱中,独立开关电源用5芯4平方铜线接入,注意火线、零线、地线标识好,连接正确。航空插头根据标识连接对应正确,三相电机不分正、反转。
2. 每台千斤顶的进、回油管根据泵站标识连接正确、可靠。
3. 根据千斤顶标定报告,按千斤顶编号与对应编号的压力传感器(或压力表)正确连接,即系统上1号标定压力传感器(或压力表)对应千斤顶为1号。安装时注意1.3或2.4必须同束张拉即主站1号出口与分站3号出口为同束。
4. 位移传感器安装正确,将传感器活动拨叉放入挡环的卡槽内,定位板贴紧千斤顶端面,根据智能泵站上的标识对应连接。即3号千斤顶位移传感器线接入智能泵站上3号插口并随3号油管走向接入3号千斤顶,以此类推。
5. 智能泵站上安装的板式天线方向应为正面相对,且中间无障碍物,偏角<15度,天线的另一端需连接好蓝牙。建议工地制作张拉台座把泵站固定在台座上。
(二)加油
1、 泵站出厂时未加油,液压油应选用32号抗磨液压油,严禁使用68号油。PCTS-A型智能泵站每套需准备150㎏,PCTS-B(或C)型智能泵站每套需准备300㎏.泵站油箱的侧面有液位计可观察加油情况,首次加油到液位计顶部刻度位置,如使用过程中因泄漏液位隆到液位计的下刻度位置应添加液压油。
2、 智能泵站与汽车一样,有一段时间的磨合期,为了延长智能泵站的使用寿命、使电磁阀工作更顺畅,应在首次使用张拉30-50次后更换液压油,这对智能泵站的养护与保证施工顺利是非常有效的。
(三)进入系统操作界面

1、 给智能泵站供电后,电源开关拨到开,显示屏将出现以下画面。
2、输入密码:“8888”后登录进入主画面

(四)点击左下角“参数设置”出现以下画面。

(五)在使用者等级*输入2;密码****处输入9999;进入参数设置画面进行参数设置。
在此画面根据千斤顶标定报告中的线性回归方程:F=AP+B(KN),输入各顶的A;B值(注意B值有正、负之分)。根据工艺要求输入初张拉力比例10%~15%;及0~50%保压时间(最小1分钟);终张保压时间最小2分钟,安全油压值设定(一般定为比终张压力大5MPa即可)。此设置一次输入后不用更改只有在重新标定千斤顶后根据新回归方程需重新输入。建议2级密码由管理员掌握。输入后返回主画面。
(六)空载手动试机
1、 把位移传感器安装在千斤顶上。注意:整套系统所有动作都围绕位移动作进行,即当位移<8毫米时千斤顶不能再回程;当>190毫米时千斤顶不能再伸长(有自动倒张的系统自动回程)。主、副泵站分别供电后根据泵站上的标识把“手动/自动”与“单机/联机”两位开关拨到“手动”与“单机”按一下“油泵启动”按钮油泵即启动,按住“进油”按钮,观察电磁阀灯亮、千斤顶活塞伸出160~180㎜后停止,再按“回油”按钮千斤顶活塞回程;重复2次排出千斤顶空气。
2、 按上述方法逐台千斤顶进行试机,观察千斤顶活塞运动方向是否正确,显示屏上的位移值变化与所选择试机的千斤顶是否对应,正确后把两位开关拨到“自动”“联机”状态。
(七)参数输入

1、 按照操作对话框进入到“参数输入”界面,输入梁号(如12-12)、钢索编号(N1、N2…)、钢绞线根数(如9根)、终张拉力(如1350KN)。
2、 PCTS-B型智能泵站有主、副泵手动单顶工作,手动双顶工作;自动联机单束,双束工作。工作时选择点击1-3,2-4;代表单束(单侧)还是双束张拉。如只点击1-3代表1,3号顶工作;只点击2-4代表2,4号顶工作。
3、插入U盘返回主画面。
(八)张拉
1、 根据1-3;2-4号千斤顶张拉的预应力束依次安装好锚具,限位板,千斤顶,工具锚,工具夹片(应涂退锚灵),位移传感器。
2、 检查参数输入正确无误后,按“张拉启动”按钮开始张拉;如遇意外情况需停止,则按“停止”按钮。
3、 从一级张拉→保压→二级张拉→保压→三级张拉→保压→终张→保压→回程→停止为一个完整张拉程序。在界面右下角会显示各阶段闪烁标志。
4、 在程序运行时应观察位移传感器是否松动滑落;有无异常情况;严禁程序未停止时取下位移传感器(即要活塞回到位后才取,建议固定在千斤顶上)。
5、 系统有记忆功能,在中途停止或停电后启动,系统会接着已运行程序工作。如上一程序未完成需执行新程序应先结束上一程序,在主泵站把开关拨到手动按一下“进油”即可。
(九)界面观察

1、 界面上部表格内显示各顶实时油表压力压强;活塞位移;初应力后的伸长值;注意活塞位移超过190㎜应停机分析原因(因未设置自动倒张程序。可能1、索长超过50米;2、先穿索在一端堵管)
2、 界面右下角显示分站是否联机状态;油泵供油状态。
3、 界面右下角显示实时张拉程序工作步骤及状态。
4、 张拉结果自动保存到U盘;在windows7程序电脑中可打开;否则应安装驱动程序打开数据及曲线画面。
(十)特别提醒
1、 虽然本智能张拉系统的自动化程度很高,但张拉施工过程中不能全依赖本机,每端应有人观察千斤顶活塞运动情况、锚具及锚下混凝土是否有变形、开裂等突发情况发生。
2、 张拉施工时禁止千斤顶张拉方向有人,确保施工安全。
五、注意事项
1、施工开始前,应对施工操作人员进行岗前培训,必须熟练掌握系统操作;
2、在张拉施工前应根据工程技术要求,及结构特点作好施工方案及安全措施。
3、各高压胶管连接前,必须用柴油清洗干净接口及孔道,以免将灰尘、杂质带入液压回路系统。
4、各油管与控制线按标识连接好,必须确保所有线路连接及油管连接完全正确。工作场地不允许有尖锐物,以防划伤高压胶管。高压胶管及电气控制电缆应捆扎好,避免阻碍通行和施工作业时碰坏、砸断及大风刮落,确保安全施工。施工作业区内的电源线、高压油管,应避免车辆的碾压。
5、系统电源应保证有可靠的接地。
6、PCTS智能数控张拉系统要由专人保管和维护。使用人员应熟悉系统结构及其动作程序。
7、在使用过程中,如遇故障,可按后面故障诊断附表加以处理,如仍然无法解决,则应与制造厂联系或送专业厂家维修。
8、工作完成后拆卸油管时,应先使千斤顶内油压卸荷完,严禁带压力拔油管。高压胶管拆除后,应戴上各接头盖或用塑料袋包好以免灰尘微粒、杂物进入胶管。
9、设备长期存放应将各部件擦净,并用雨布罩好,保证控制柜及位移传感器不受雨淋、受潮等;若重新使用,则必须首先排除千斤顶中积聚的空气,更换千斤顶中的易损件,检查提升千斤顶的动作是否正确。
10、张拉完成后,应将位移传感器拆下并放好,严禁位移传感器连接线当承重绳吊装重物。
11、液压泵站在使用一定期限后,检查液压油是否变质,如变质需清洁油箱后更换新液压油;正常使用情况下,建议每半年更换一次液压油。
12、千斤顶标定时请与对应的压力传感器(或压力表)配套标定。
13、遇紧急情况时,按“急停”按钮,停止整个系统运行。
14、非系统设计人员,请勿更改接线。
15、系统所配电脑或触摸屏为专用设备,切勿拿作他用,以免病毒感染、或程序错乱而影响使用。
16、特别申明:为保护我公司智能张拉程序系统不被仿制,每台计算机控制程序系统是专用且独立的,任何人不得尝试拷贝及修改程序,否则系统会自行瘫痪,造成的相关损失由使用方全权自行负责。
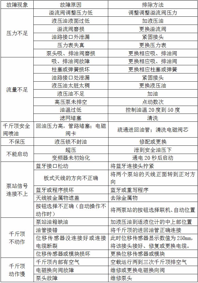
六、故障与排除
智能数控张拉系统常见故障及处理的基本方法


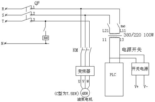
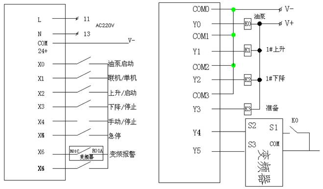
七、系统电路原理图
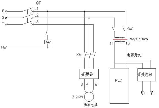
PCTS.A型智能泵站控制面板电路原理图

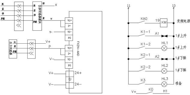
PCTS.A型智能泵站控制箱端子排布图

PCTS.A型智能泵站电路原理图一

PCTS.A型智能泵站电路原理图二

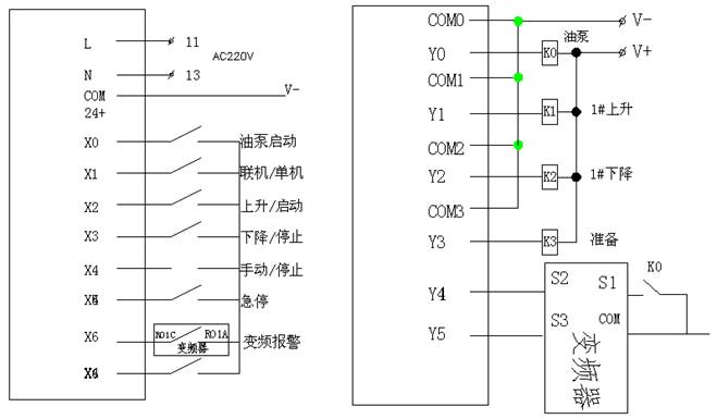
PCTS.A型智能泵站电路原理图三

PCTS.B/C型智能泵站控制面板电路原理图

PCTS.B/C型智能泵站控制箱端子排布图

PCTS.B/C型智能泵站电路原理图一

PCTS.B/C型智能泵站电路原理图二

PCTS.A型智能泵站电路原理图三